詳細介紹
| 產品特點
1、本閥采用三偏心密封結構,閥座與蝶板幾乎無磨損,具有越觀越緊的密封功能。 2、密封圈選用不銹鋼制作,具有金屬硬密封和彈性密封的雙重優點,無論在低溫和高溫的情況下,均具有優良的密封性能,具有耐腐蝕,使用壽命長等特點。 3、碟板密封面采用堆焊鈷基硬質合金,密封面耐磨損,使用壽命長. 4、大規格蝶板采用絎架結構,強度高,過流面積大,流阻小。 5、本閥具有雙向密封功能,安裝時不受介質流向的限制,也不受空間位置的影響,可在任何方向安裝。 6、驅動裝置可以多工位(旋轉90°或180°)安裝,便于用戶使用。 主要技術參數
主要零部件材料
采用標準
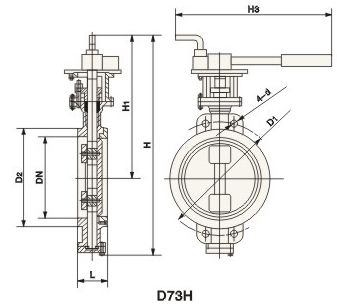
D73H0/16/25/對夾式硬密封蝶閥主要外形連接尺寸(單位:mm)
產品尺寸![]() | ||||||||||||||||||||||||||||||||||||||||||||||||||||||||||||||||||||||||||||||||||||||||||||||||||||||||||||||||||||||||||||||||||||||||||||||||||||||||||||||||||||||||||||||||||||
溫馨提示:“D73H對夾式硬密封蝶閥”所有文字、數據、圖片均只適用于參考。
如需與實物相吻合的性能參數、結構尺寸參數等詳情請來電來函索取。
電話:021-68103333 傳真:021-51686322
如需與實物相吻合的性能參數、結構尺寸參數等詳情請來電來函索取。
電話:021-68103333 傳真:021-51686322

軟密封蝶閥視頻介紹





掃一掃關注我們