詳細介紹
產品概述 產呂用途 產品特點 1、電動啟閉,具有任意調整、止回和截止功能。操作方便,安全可靠。 2、本閥可連續實現慢開、快開或快關、慢關的動作,并有效的防止了泵出口介質倒流和水錘的產生。 3、節能驅動,與普通蝶閥同樣的驅動電機即可實現快關段高速小轉矩和慢關低段大轉矩的功能。 4、安裝在泵出口時,本蝶閥同時具有止回啊和閘閥的共同功能,因此可以一閥代兩閥,節約安裝空間,節省管網造價。 5、流阻小。本閥全開時流阻系數不超過0.3,因此可以節約能源,降低管路的運行費用。 6、當發生事故或停電時,可以通過手動操作控制蝶閥啟閉。 主要技術參數
執行標準
主要零部件材料
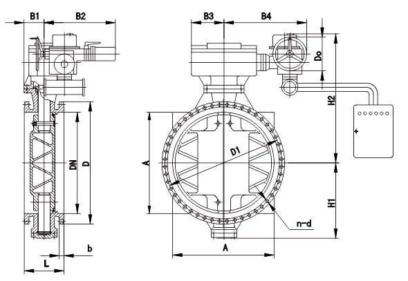
DV942X/H電動調速電動蝶閥外形主要外形連接尺寸 單位:mm
產品尺寸
| |||||||||||||||||||||||||||||||||||||||||||||||||||||||||||||||||||||||||||||||||||||||||||||||||||||||||||||||||||||||||||||||||||||||||||||||||||||||||||||||||||||||||||||||||||||||||||||||||||||||||||||||||||||||||||||||||||||||||||||||||||||||||||||||||||||||||||||||||||||||||||||||||||||||||||||||||||||||||||||||||||||||||||||||||||||||||||||||||||||||||||||||||
溫馨提示:“DV942X/H電動調速電動蝶閥”所有文字、數據、圖片均只適用于參考。
如需與實物相吻合的性能參數、結構尺寸參數等詳情請來電來函索取。
電話:021-68103333 傳真:021-51686322
如需與實物相吻合的性能參數、結構尺寸參數等詳情請來電來函索取。
電話:021-68103333 傳真:021-51686322

軟密封蝶閥視頻介紹





掃一掃關注我們