詳細介紹
用途及特點 1、流體阻力小、球閥是所有閥類中流體阻力最小的一種,即使是縮徑球閥,其流體阻力也相當小。 執行機構采用新型系列GT型氣動執行器,有雙作用式和單作用式(彈簧復位),齒輪齒條傳動,安全可靠;大口徑閥門采用系列AW型氣動執行器拔叉式傳動,結構合理,輸出扭矩大,有雙作用式和單作用式。 1、齒輪式雙活塞,輸出力矩大,體積小。 附件的選項根據不同控制和要求可選擇下列附件:切斷型附件:單電控電磁閥、雙電控電磁閥、限位開關回訊器。 調節型附件:電氣定位器、氣動定位器、電氣轉換器。 氣源處理附件:空氣過濾減壓閥、氣源處理三聯件。 手動機構:HVSD手操機構 性能規范
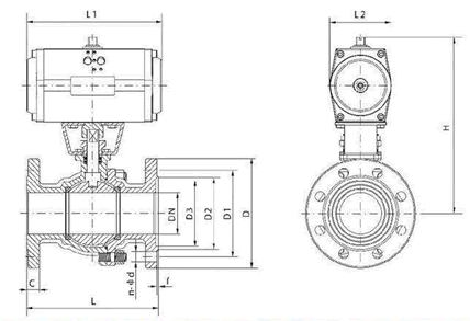
安裝尺寸表
產品結構![]() | |||||||||||||||||||||||||||||||||||||||||||||||||||||||||||||||||||||||||||||||||||||||||||||||||||||||||||||||||||||||||||||||||||||||||||||||||||||||||||||||||||||||||||||||||||||||||||||||||||||||||||||||||||||||||||||||||||||||||||||||||||||||||||||||||||||||||||||||||||||||||||||||||||||||||||||||||||||||||||||||||||||||||||||||||||||||||||||||||||||||||||||
如需與實物相吻合的性能參數、結構尺寸參數等詳情請來電來函索取。
電話:021-68103333 傳真:021-51686322

軟密封蝶閥視頻介紹





掃一掃關注我們